FT-5200鋁和鋼材料躍遷(過渡)電阻測試儀
發布時間: 2023-02-24 12:01:43 點擊: 2489

FT-5200鋁和鋼材料躍遷(過渡)電阻測試儀
一.參照標準:
BS EN ISO 18594-2007 電阻點焊、凸焊和縫隙焊接.測定鋁和鋼材料躍遷(過渡)電阻的方法.
BS EN ISO 18594-2007 Resistance spot-, projection- and seam-welding — Method for determining the transition resistance on aluminium and steel material.
DVS 2929-1-2014 電阻焊 - 測量過渡電阻鋁材料,DVS 2929 Resistance Welding - Measurement Of The Transition Resistance On Aluminium Materials
二、適用范圍Scope of application:
用于單板或兩個重疊的鋁或鋼有或沒有表面處理,有或沒有表面涂層,的過渡電阻測量.
三.名詞含義及定義
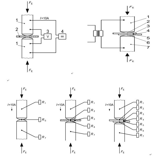
a.接觸電阻:指兩個物體之間的接觸區域的電特性,它們相對并限制了穩定電流的通過電極/電極,電極/片和片/片之間的接觸.
b.體積電阻:指電導體的歐姆電阻;
c.總電阻:指在兩電極之間測量的電阻(包括體電阻和接觸電阻);
d.設置電阻:指在沒有金屬片之間的兩電極之間的電阻;兩個電極直接接觸.
e.過渡電阻:指總電阻減去設置電阻;
四.功能概述:
測試電流10A,步進電機動力系統,參照標準設計, PC軟件界面運行,四端法自動測量,可分析接觸電阻,過渡電阻,體積電阻,總電阻等,為電阻點焊、凸焊和縫隙焊接.測定鋁和鋼材料躍遷(過渡)電阻的具備儀器,一體式結構布局.操作方便.
五.參數資料
測試項目 |
技術指標 |
1.電阻resistance |
10-8~2×105Ω |
2.電阻率范圍Resistivity |
10-8~2×105Ω-cm |
3.電導率Conductivity |
5 ×10-5~108s/cm |
4.測試電流范圍 current |
0-10A,可測到100uA |
5.測量電壓量程 Voltage |
0-2v;分辨率0.1uv ;精度0.1% |
6.電流精度Current |
±0.1% |
7.電阻精度Resistance Accuracy |
≤0.3%標準電阻;分辨率0.01μΩ |
8.PC軟件界面 |
電阻平均值,標準偏差,變異系數、電阻率、電導率值、溫度、壓強值、單位自動換算、橫截面、高度、曲線圖譜、報表等. |
9. 電極直徑選配: |
a. 鋁材使用:直徑20 mm,半徑橫截面150 mm to 300 mm a b. 鋼材使用:直徑16 mm ,半徑橫截面40 mm to 50 mm |
10.溫濕度范圍
|
常溫-50度;濕度:20%-98% |
11.恒壓時間 |
0-99.9S |
12.標配標準件 |
a.標準校準電阻1個 |
13.測試方式 |
a.四端測量法 b.自動測量 |
14.壓力 |
1000kg(10KN) ± 5 % |
15.電極軸偏差: |
電極軸的偏心距不應超過0.1 mm |
16.樣品接觸電極位置 |
引入電流和樣品接觸電極之間的距離應大于15 mm |
17.加壓方式Pressurized way |
自動 |
18.脫模方式Stripping mode |
自動 |
19.電極材質Electrode |
CuCrZr(鉻鋯銅) |
20.工作電源power supply |
輸入: AC 220V±10% ,50Hz 功 耗:<60W |
21. 主機外形尺寸dimensions |
約:H700mm*L650mm*D300mm |
22.凈重量 |
約45kg |
23. 標配外選購Others buy |
a.電腦和打印機依據客戶要求配置; |
FT-5200鋁和鋼材料躍遷(過渡)電阻測試儀視頻文件鏈接
https://v.youku.com/v_show/id_XNDQxNjA3NTk5Ng==.html?spm=a2hzp.8244740.0.0